PZ573H傘齒輪對夾式刀型閘閥

- 銷售:021-32051999
- 銷售:021-32050777
- 傳真:021-66099555
詳情介紹
- 產品介紹
- 服務承諾
- 訂貨流程
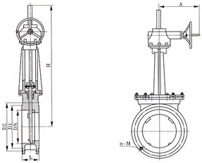
PZ573H傘齒輪對夾式刀型閘閥為傘齒輪驅動,操作輕松靈活,常用于較大口徑或較高壓力場合人工手動操作。
主要外形及連接尺寸(mm)
MPa | DN | L | D1 | D2 | H | n-M | MPa | DN | L | D1 | D2 | H | n-M |
0.6 | 50 | 43 | 90 | 110 | 475 | 4-M12 | 1.0 | 50 | 43 | 100 | 125 | 475 | 4-M16 |
65 | 46 | 110 | 130 | 500 | 4-M12 | 65 | 46 | 120 | 145 | 500 | 4-M16 | ||
80 | 46 | 125 | 150 | 535 | 4-M16 | 80 | 46 | 135 | 160 | 535 | 4-M16 | ||
100 | 52 | 145 | 170 | 605 | 4-M16 | 100 | 52 | 155 | 180 | 605 | 8-M16 | ||
125 | 56 | 175 | 200 | 665 | 8-M16 | 125 | 56 | 185 | 210 | 665 | 8-M16 | ||
150 | 56 | 200 | 225 | 765 | 8-M16 | 150 | 56 | 210 | 240 | 765 | 8-M20 | ||
200 | 60 | 255 | 280 | 880 | 8-M16 | 200 | 60 | 265 | 295 | 880 | 8-M20 | ||
250 | 68 | 310 | 335 | 1020 | 12-M16 | 250 | 68 | 320 | 350 | 1020 | 12-M20 | ||
300 | 78 | 362 | 395 | 1220 | 12-M20 | 300 | 78 | 368 | 400 | 1220 | 12-M20 | ||
350 | 78 | 412 | 445 | 1375 | 12-M20 | 350 | 78 | 428 | 460 | 1375 | 16-M20 | ||
400 | 102 | 462 | 495 | 1560 | 16-M20 | 400 | 102 | 482 | 515 | 1560 | 16-M22 | ||
450 | 114 | 518 | 550 | 1720 | 16-M20 | 450 | 114 | 532 | 565 | 1720 | 20-M22 | ||
500 | 127 | 568 | 600 | 1870 | 16-M20 | 500 | 127 | 585 | 620 | 1870 | 20-M22 | ||
600 | 154 | 670 | 705 | 2220 | 20-M22 | 600 | 154 | 685 | 725 | 2220 | 20-M27 | ||
700 | 165 | 775 | 810 | 2570 | 24-M22 | 700 | 165 | 800 | 840 | 2570 | 24-M27 | ||
800 | 190 | 880 | 920 | 3030 | 24-M27 | 800 | 190 | 898 | 950 | 3030 | 24-M30 | ||
900 | 203 | 980 | 1020 | 3430 | 24-M27 | 900 | 203 | 1005 | 1050 | 3430 | 28-M30 | ||
1000 | 216 | 1080 | 1120 | 3470 | 28-M27 | 1000 | 216 | 1110 | 1160 | 3470 | 28-M30 | ||
1200 | 254 | 1295 | 1340 | 4230 | 32-M30 | 1200 | 254 | 1325 | 1380 | 4230 | 32-M36 |
良好的品質、優良的服務 奇高為你創造更多價值!
“奇高閥門”的期望,不斷提升服務質量,精益求精,“真誠的服務”是“奇高”永恒的主題。“奇高”嚴格按照IS09001-2000 質量體系認證要求,質量嚴格把關, 責任到人,確保生產、銷售、服務的健康運行。加強與用戶溝通,竭誠為廣大客戶提供優良產品,貼心服務。特此我廠做出以下承諾:
產品標準:
產品嚴格按照中國GB、HG 標準和美國API等標準設計、制造、驗收。密封面硬度達到國家規定要求,寬度超過國家標準。
售前服務:
產品介紹,技術交流,非標產品設計,疑難解答。
售中服務:
守信合同,及時供貨,隨時保持與客戶聯系。 對特殊或復制的產品,我廠安排技術人員對用戶進行產品使用、故障排除
售后服務:
1、“奇高”牌產品品質期為自出廠起12個月,實行“三包”服務(包退、包換、保修)。
2、產品在使用中我廠定期組織技術、質檢人員進行訪問,征詢用戶對產品質量、 使用狀況、改進意見等方面的反饋, 以便進一步提高產品質量。
3、對用戶投訴質量問題,快速作出反應,售后服務人員在24-36小時(省外48小時)趕赴現場。
4、對售后服務,要求用戶填寫服務后的質量反饋信息表,并作出鑒定意見,以便提高奇高的服務質量。
1、客戶如對產品有特殊要求,須在訂貨合同中提供以下說明:
a、結構長度;
b、連接形式;
c、公稱直徑、全通徑、縮徑、管道尺寸;
d、運行介質及溫度、壓力范圍;
e、試驗、檢驗標準及其他要求
2、本廠可根據客戶特定要求配置各類驅動裝置。
3、如由客戶提供確定的閥門類型和型號時,客戶應正確說明其型號的含義和要求,在供需雙方理解一致的條件下簽訂合同。
4、期貨、訂貨的客戶請先來電函詳細告訴所需的閥門型號、規格、數量以及交貨時間、地點,并按總的30%預定金或全額貨款及時匯入我廠帳戶,其余貨款待發貨前匯入,以便及時安排發貨。
訂單流程:
1、客戶采購清單傳真至021-33872143,或來電咨詢 021-33872141
2、收到客戶采購清單,為客戶提供閥門型號選型與報價(價格清單)。
3、具體商定:交貨期、特殊要求等事宜。
訂貨須知:
1、客戶如對產品有特殊要求,須在訂貨合同中提供以下說明:
|
|||||
|
|||||
2、本廠可根據客戶特定要求配置各類驅動裝置。
|
|||||
3、如由客戶提供確定的閥門類型和型號時,客戶應正確說明其型號的含義和要求,在供需雙方理解一致的條件下簽訂合同。
|
|||||
4、期貨、訂貨的客戶請先來電函詳細告訴所需的閥門型號、規格、數量以及交貨時間、地點,并按總的30%預定金或全額貨款及時匯入我廠賬戶, 其余貨款待發貨前匯入,以便及時安排發貨。
|
售中服務:
守信合同,及時供貨,隨時保持與客戶聯系。
對特殊或復制的產品,我廠安排技術人員對用戶進行產品使用、故障排除
售后服務:
1、“奇高”產品品質期為自出廠起12個月,實行“三包”服務(包退、包換、保修)。
2、產品在使用中我廠定期組織技術、質檢人員進行訪問,征詢用戶對產品質量、使用狀況、改進意見等方面的反饋,
以便進一步提高產品質量。
3、對用戶投訴質量問題,快速作出反應,售后服務人員在24-36小時(省外48小時)趕赴現場。
4、對售后服務,要求用戶填寫服務后的質量反饋信息表,并作出鑒定意見,以便提高“奇高”的服務質量。
聲明 |
|