- ball
- Gate valve
- butterfly valve
- Regulating valve
- Cut-off valve
- Globe valve
- Check valve
- Knife Gate Valve
- Safety valve
- Pressure relief valve
- Drain valve
- Plug valve
- Diaphragm valve
- Discharge valve
- Exhaust valve
- Filter
- Solenoid valve
- Needle valve
- Plunger valve
- Copper valve
- Compensator
- Hydraulic control valve
- Electric two way valve
- Vacuum valve
- Thermal insulation valve
- Flame arrester
- Breathing valve
- Balance valve
- Sludge discharge valve
- Ammonia valve
- Metallurgical valves
- Fluorine valve
- Low temperature valve
- Power station valve
- Natural gas valves
- Other valves
- Inlet valve
- Import actuator
H42H/W vertical check valve

- sell:021-32051999
- sell:021-32050777
- fax:021-66099555
Details
- Product Introduction
- Service Promise
- Ordering Process
H42H, H42W vertical check valves are normally closed, due to the pressure of the inlet end of the pipeline, and overcome the spring resistance to open the valve. When the inlet pressure is lower than the outlet, the spring pushes the spool to the seat and closes the valve, preventing the medium from flowing back, so it has a check effect.
Since the valve supports the spool with spring, it can be installed vertically or horizontally.
Application specification
設計與制造 | GB/T12235 | |
連接端尺寸 | 結構長度 | GB/T12221 |
法蘭尺寸 | JB/T79 | |
檢驗與試驗 | JB/T9092 | |
材料 | 碳鋼 | GB/T12229 |
不銹鋼 | GB/T12230 | |
合金鋼 | Q/ZB66 | |
標志 | GB/T12220 | |
供貨 | JB/T7928 |
型號 | 公稱 壓力 | 試驗壓力 | 工作溫度(℃) | ||
強度 (水)Mpa | 密封 (水)空氣(Mpa) | 低壓密封 (空氣)Mpa | |||
H42W-16 | 1.6 | 2.4 | 1.8 | 0.6 | ≤200 |
H42W-25 | 2.5 | 3.8 | 2.8 | 0.6 | ≤200 |
H42W-40 | 4.0 | 6.0 | 4.4 | 0.6 | ≤200 |


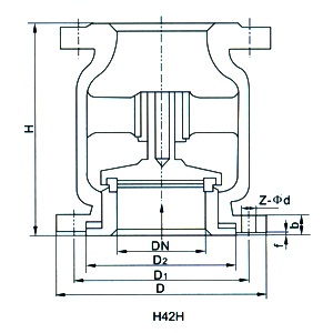
型號 | 公稱通徑 DN | 尺寸(mm) | ||||||
L | D | D1 | D2 | H | b | Z-Φd | ||
H42H/W-16 | 15 | 130 | 95 | 65 | 45 | 77 | 14 | 4-14 |
20 | 150 | 105 | 75 | 55 | 77 | 14 | 4-14 | |
25 | 160 | 115 | 85 | 65 | 80 | 16 | 4-14 | |
32 | 180 | 135 | 100 | 78 | 85 | 16 | 4-18 | |
40 | 200 | 145 | 110 | 85 | 95 | 16 | 4-18 | |
50 | 230 | 160 | 125 | 100 | 105 | 16 | 4-18 | |
65 | 290 | 180 | 145 | 120 | 120 | 18 | 4-18 | |
80 | 310 | 195 | 160 | 135 | 130 | 20 | 8-18 | |
100 | 350 | 215 | 180 | 155 | 140 | 20 | 8-18 | |
125 | 400 | 245 | 210 | 185 | 155 | 22 | 8-18 | |
150 | 480 | 280 | 240 | 210 | 180 | 24 | 8-23 | |
200 | 600 | 335 | 295 | 265 | 215 | 26 | 12-23 | |
H42H/W-25 | 15 | 130 | 95 | 65 | 45 | 77 | 16 | 4-14 |
20 | 150 | 105 | 75 | 55 | 80 | 16 | 4-14 | |
25 | 160 | 115 | 85 | 65 | 85 | 16 | 4-14 | |
32 | 180 | 135 | 100 | 78 | 95 | 18 | 8-18 | |
40 | 200 | 145 | 110 | 85 | 105 | 18 | 8-18 | |
50 | 230 | 160 | 125 | 100 | 120 | 20 | 8-18 | |
65 | 290 | 180 | 145 | 120 | 130 | 212 | 8-18 | |
80 | 310 | 195 | 160 | 135 | 140 | 22 | 8-18 | |
100 | 350 | 230 | 190 | 160 | 155 | 24 | 8-23 | |
125 | 400 | 270 | 220 | 188 | 180 | 28 | 8-25 | |
150 | 480 | 300 | 250 | 218 | 215 | 30 | 8-25 | |
200 | 600 | 360 | 310 | 278 | 973 | 34 | 12-25 |
The best quality, first-class service Qigao creates more value for you!
"Qigao Valve" expects to continuously improve service quality and strive for excellence. "Sincere service" is the eternal theme of "Qigao". "Qigao" strictly followsIS09001-2000 Quality system certification requirements, strict quality control, responsibility to people, to ensure the healthy operation of production, sales and service. Strengthen communication with users and provide quality products to our customers with perfection and perfect service. Hereby our factory makes the following commitments:
Product Standards:
Products in strict accordance with ChinaGB、HG Standard and USAPISuch as standard design, manufacturing, acceptance. The hardness of the sealing surface meets the requirements of the state and the width exceeds the national standard.
pre-sale service:
Product introduction, technical exchange, non-standard product design, troubleshooting。
Sale service:
A trustworthy contract guarantees timely delivery and keeps in touch with customers. For special or duplicate products, our factory arranges technicians to use and troubleshoot the products for users.
After sales service:
1、"Qigao" brand product quality period is from the factory12In the month, the implementation of the "three guarantees" service (return, replacement, warranty).
2、During the use of our products, our factory regularly organizes technical and quality inspection personnel to visit and consult users for feedback on product quality, usage status and improvement opinions, so as to further improve product quality.
3、Respond quickly to the quality of user complaints, after-sales service personnel rushed to the scene in 24-36 hours (48 hours outside the province).
4、For after-sales service, users are required to fill out the quality feedback information form after the service and make an appraisal opinion in order to improve the service quality of Qigao.
1、If the customer has special requirements for the product, the following instructions must be provided in the order contract.:
a、Structure length;
b、Connection Type;
c、Nominal diameter, full diameter, reduced diameter, pipe size;
d、Operating medium and temperature, pressure range;
e、Tests, inspection standards and other requirements
2、The factory can configure various types of driving devices according to customer's specific requirements.。
3、If the type and model of the valve are determined by the customer, the customer shall correctly state the meaning and requirements of the model and sign the contract under the condition that the supplier and the buyer understand each other.
4、For futures and order customers, please call us in advance to tell the required valve model, specification, quantity, delivery time and location, and timely transfer to the factory account according to the total 30% deposit or full payment. The rest of the payment is pending. Import before shipment to arrange delivery in time.
Order Process:
1、Customer purchase list fax to021-33872143,Or call us 021-33872141
2、Receive customer purchase list, provide valve model selection and quotation (price list)。
3、Specific agreement: delivery date, special requirements, etc.。
download Google:
1、If the customer has special requirements for the product, the following instructions must be provided in the order contract.:
|
|||||
|
|||||
2、The factory can configure various types of driving devices according to customer's specific requirements.。
|
|||||
3、If the type and model of the valve are determined by the customer, the customer shall correctly state the meaning and requirements of the model and sign the contract under the condition that the supplier and the buyer understand each other.
|
|||||
4、For futures and order customers, please call us first to tell the required valve model, specifications, quantity, delivery time and location, and press the total30%The deposit or full payment will be remitted to our factory account in time., The rest of the payment will be remitted before shipment to arrange delivery in time.。
|
Sale service:
Trustworthy contract, guarantee timely delivery, keep in touch with customers at any time。
For special or duplicate products, our factory arranges technicians to use and troubleshoot the products for users.
After sales service:
1、"Qigao" product quality period is from the factory12Month, practice“Three packs”Service (return, replacement, warranty)。
2、During the use of our products, our factory regularly organizes technical and quality inspection personnel to visit and consult users for feedback on product quality, usage status and improvement opinions.,
In order to further improve product quality。
3、Respond quickly to the quality of user complaints, after-sales service personnel24-36Hours (outside the province48Hour) rushed to the scene。
4、For after-sales service, the user is required to fill out the quality feedback information form after the service and make an appraisal opinion in order to improve the service quality of “Qigao”.。
statement |
|