UJ11H內螺紋柱塞閥

- 銷售:021-32051999
- 銷售:021-32050777
- 傳真:021-66099555
詳情介紹
- 產品介紹
- 服務承諾
- 訂貨流程
內螺紋柱塞閥是由閥體、閥蓋、閥桿、柱塞、手輪等部件組成。當旋轉手輪時,通過閥桿帶動柱塞,使之在兩個密封圈之間上下往復運動,完成閥門的開啟和關閉。內螺紋柱塞閥由于密封圈采用新型非常金屬材料制成(PTFE),具有經受長期高溫、高壓而不喪失彈性的性能,絲口柱塞閥而且柱塞與密封圈之間的接觸面積大,再者,密封圈系混合材料性能好,因此,密封可靠,經久耐用。
內螺紋柱塞閥適用于冶金、消防、化工、建筑、化肥、輕工等行業中,壓力為1.6-4.0Mpa,為250℃以下的水、氣、油類等介質的管道。
性能規范
閥體材料 | 適用溫度 | 適用介質 | 壓力范圍 |
鑄鋼 | ≤250℃ | 水、蒸汽、油品 | PN 1.6-6.4MPa |
鑄鐵 | ≤180℃ | 水、蒸汽、油品 | PNl.6 |
不銹鋼 | ≤200℃ | 硝酸、醋酸 | 通徑范圍 |
含鉬不銹鋼 | ≤200℃ | 氮、氫、尿素等 | DNl15-300mm |
試驗壓力
試驗項目 | 試驗介質 | 試驗壓力 |
壓強試驗 | 水 | 1.5MPa |
高壓密封試驗 | 水 | 1.1 MPa |
低壓氣密封試驗 | 氣 | 0 5-0.7MPa |
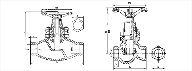
主要外形尺寸
公稱通徑 | U11SM、UJ11H-1.6 2.5 40 C.P.R 主要結構尺寸及外形尺寸 | |||||||
閥體長度 | 接頭長度 | 接頭長度 | 手輪直徑 | 管螺紋 G | 關閉高度 | 開啟高度 | 重量 | |
15 | 90 | 14 | 32 | 80 | 1/2 | 133 | 157 | 2.1 |
20 | 100 | 16 | 36 | 100 | 3/4 | 141 | 169 | 2.8 |
25 | 120 | 18 | 46 | 120 | 1 | 165 | 199 | 3.8 |
32 | 140 | 20 | 55 | 140 | 11/4 | 179 | 225 | 5.8 |
40 | 170 | 22 | 65 | 160 | 11/2 | 198 | 246 | 8.3 |
50 | 200 | 24 | 80 | 200 | 2 | 226 | 282 | 13.2 |
良好的品質、優良的服務 奇高為你創造更多價值!
“奇高閥門”的期望,不斷提升服務質量,精益求精,“真誠的服務”是“奇高”永恒的主題。“奇高”嚴格按照IS09001-2000 質量體系認證要求,質量嚴格把關, 責任到人,確保生產、銷售、服務的健康運行。加強與用戶溝通,竭誠為廣大客戶提供優良產品,貼心服務。特此我廠做出以下承諾:
產品標準:
產品嚴格按照中國GB、HG 標準和美國API等標準設計、制造、驗收。密封面硬度達到國家規定要求,寬度超過國家標準。
售前服務:
產品介紹,技術交流,非標產品設計,疑難解答。
售中服務:
守信合同,及時供貨,隨時保持與客戶聯系。 對特殊或復制的產品,我廠安排技術人員對用戶進行產品使用、故障排除
售后服務:
1、“奇高”牌產品品質期為自出廠起12個月,實行“三包”服務(包退、包換、保修)。
2、產品在使用中我廠定期組織技術、質檢人員進行訪問,征詢用戶對產品質量、 使用狀況、改進意見等方面的反饋, 以便進一步提高產品質量。
3、對用戶投訴質量問題,快速作出反應,售后服務人員在24-36小時(省外48小時)趕赴現場。
4、對售后服務,要求用戶填寫服務后的質量反饋信息表,并作出鑒定意見,以便提高奇高的服務質量。
1、客戶如對產品有特殊要求,須在訂貨合同中提供以下說明:
a、結構長度;
b、連接形式;
c、公稱直徑、全通徑、縮徑、管道尺寸;
d、運行介質及溫度、壓力范圍;
e、試驗、檢驗標準及其他要求
2、本廠可根據客戶特定要求配置各類驅動裝置。
3、如由客戶提供確定的閥門類型和型號時,客戶應正確說明其型號的含義和要求,在供需雙方理解一致的條件下簽訂合同。
4、期貨、訂貨的客戶請先來電函詳細告訴所需的閥門型號、規格、數量以及交貨時間、地點,并按總的30%預定金或全額貨款及時匯入我廠帳戶,其余貨款待發貨前匯入,以便及時安排發貨。
訂單流程:
1、客戶采購清單傳真至021-33872143,或來電咨詢 021-33872141
2、收到客戶采購清單,為客戶提供閥門型號選型與報價(價格清單)。
3、具體商定:交貨期、特殊要求等事宜。
訂貨須知:
1、客戶如對產品有特殊要求,須在訂貨合同中提供以下說明:
|
|||||
|
|||||
2、本廠可根據客戶特定要求配置各類驅動裝置。
|
|||||
3、如由客戶提供確定的閥門類型和型號時,客戶應正確說明其型號的含義和要求,在供需雙方理解一致的條件下簽訂合同。
|
|||||
4、期貨、訂貨的客戶請先來電函詳細告訴所需的閥門型號、規格、數量以及交貨時間、地點,并按總的30%預定金或全額貨款及時匯入我廠賬戶, 其余貨款待發貨前匯入,以便及時安排發貨。
|
售中服務:
守信合同,及時供貨,隨時保持與客戶聯系。
對特殊或復制的產品,我廠安排技術人員對用戶進行產品使用、故障排除
售后服務:
1、“奇高”產品品質期為自出廠起12個月,實行“三包”服務(包退、包換、保修)。
2、產品在使用中我廠定期組織技術、質檢人員進行訪問,征詢用戶對產品質量、使用狀況、改進意見等方面的反饋,
以便進一步提高產品質量。
3、對用戶投訴質量問題,快速作出反應,售后服務人員在24-36小時(省外48小時)趕赴現場。
4、對售后服務,要求用戶填寫服務后的質量反饋信息表,并作出鑒定意見,以便提高“奇高”的服務質量。
聲明 |
|