電動法蘭硬密封蝶閥-D943H

- 銷售:021-32051999
- 銷售:021-32050777
- 傳真:021-66099555
詳情介紹
- 產品介紹
- 服務承諾
- 訂貨流程
D41J法蘭蝶閥/D641J氣動蝶閥/D941J電動蝶閥在氣體、液體管道上起調節流量或截流介質的作用,法蘭襯膠蝶閥具有耐強腐蝕、穩定性好、可靠性強的特點,法蘭襯膠蝶閥還具有密封可靠性強,防腐能力強,操作力矩小等優點,因此法蘭襯膠蝶閥廣泛的應用于食品、醫藥、化工、石油、電力、輕紡、造紙等行業。
法蘭蝶閥 采用標準
法蘭連接尺寸GB4216.4-84;GB9115.8-88
結構長度GB12221-89
壓力試驗GB/T13927-92;ZBJ16006-90
法蘭蝶閥 主要技術參數
公稱通徑DN(mm) | 50~2000 | ||
公稱壓力PN(MPa) | 0.6 | 1.0 | |
試驗壓力 Ps(MPa) | 強度試驗 | 0.9 | 1.5 |
密封試驗 | 0.66 | 1.1 | |
適用介質 | 水、蒸汽、油品、海水、酸類 | ||
適用溫度 | -40℃~200℃ |
法蘭蝶閥 主要零件材料
名稱 | 材料 |
閥體 | WCB、ZG1Cr18Ni9Ti、ZG1Cr18Ni12Mo2Ti HT250 |
閥板 | WCB、ZG1Cr18Ni9Ti、ZG1Cr18Ni12Mo2Ti HT250 |
閥桿 | 2Cr13、1Cr18Ni9Ti、1Cr18Ni12Mo2Ti |
密封圈 | CR、NBR、EPDM、FPM |
填料 | NBR、柔性石墨 V型橡膠墊 |
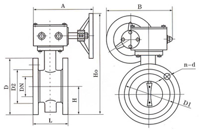
法蘭襯膠蝶閥 主要外形尺寸
通徑(DN) | L | D1 | D | Z-Φd | H | H0 | A | B | D0 | Wt/kg |
50 | 108 | 125 | 165 | 4-18 | 82.5 | 443 | 125 | 125 | 80 | 51 |
65 | 112 | 145 | 185 | 4-18 | 92.5 | 463 | 125 | 125 | 80 | 62 |
80 | 114 | 160 | 200 | 8-18 | 100 | 483 | 125 | 125 | 80 | 73.5 |
100 | 127 | 180 | 220 | 8-18 | 110 | 498 | 125 | 125 | 80 | 87 |
125 | 140 | 210 | 250 | 8-18 | 125 | 682 | 325 | 245 | 150 | 98 |
150 | 140 | 240 | 285 | 8-22 | 142.5 | 736 | 325 | 245 | 150 | 102 |
200 | 152 | 295 | 340 | 8-22 | 170 | 800 | 325 | 245 | 150 | 150 |
250 | 165 | 350 | 395 | 12-22 | 192.5 | 895 | 363 | 313 | 200 | 170 |
300 | 178 | 400 | 445 | 12-22 | 222.5 | 956 | 363 | 313 | 200 | 220 |
350 | 190 | 460 | 505 | 16-22 | 252.5 | 1029 | 363 | 313 | 250 | 350 |
400 | 216 | 515 | 565 | 16-26 | 282.5 | 1103 | 363 | 313 | 250 | 430 |
450 | 222 | 565 | 615 | 20-26 | 307.5 | 1280 | 465 | 439 | 300 | 550 |
500 | 229 | 620 | 670 | 20-26 | 335 | 1186 | 546 | 431 | 360 | 580 |
600 | 267 | 725 | 780 | 20-30 | 390 | 1321 | 546 | 556 | 360 | 850 |
700 | 430 | 840 | 895 | 24-30 | 420 | 1431 | 546 | 556 | 360 | 950 |
800 | 470 | 950 | 1015 | 24-33 | 477.5 | 1542 | 546 | 556 | 360 | 1150 |
900 | 510 | 1050 | 1115 | 28-33 | 1117.5 | 1800 | 617 | 706 | 360 | 1750 |
1000 | 550 | 1160 | 1230 | 28-36 | 582.5 | 2363 | 632 | 706 | 360 | 2100 |
1200 | 630 | 1380 | 1455 | 32-39 | 692.5 | 2583 | 632 | 706 | 360 | 2580 |
1400 | 710 | 1590 | 1675 | 36-42 | ||||||
1600 | 790 | 1820 | 1915 | 40-48 | ||||||
1800 | 870 | 2020 | 2115 | 44-48 | ||||||
2000 | 950 | 2230 | 2325 | 48-48 |
注:1.以上蝶閥的密封試驗壓力DN32~DN800為1.0Mpa;DN900~DN1000為0.6Mpa;DN1200~DN2000為0.25Mpa;
2.如工作壓力超過1.0Mpa建議選用三偏心蝶閥;
3.以上蝶閥的連接尺寸均按1.0Mpa標準制造,如閥板襯橡膠等特殊需要,訂貨時需注明。
良好的品質、優良的服務 奇高為你創造更多價值!
“奇高閥門”的期望,不斷提升服務質量,精益求精,“真誠的服務”是“奇高”永恒的主題?!捌娓摺眹栏癜凑?span lang="EN-US">IS09001-2000 質量體系認證要求,質量嚴格把關, 責任到人,確保生產、銷售、服務的健康運行。加強與用戶溝通,竭誠為廣大客戶提供優良產品,貼心服務。特此我廠做出以下承諾:
產品標準:
產品嚴格按照中國GB、HG 標準和美國API等標準設計、制造、驗收。密封面硬度達到國家規定要求,寬度超過國家標準。
售前服務:
產品介紹,技術交流,非標產品設計,疑難解答。
售中服務:
守信合同,及時供貨,隨時保持與客戶聯系。 對特殊或復制的產品,我廠安排技術人員對用戶進行產品使用、故障排除
售后服務:
1、“奇高”牌產品品質期為自出廠起12個月,實行“三包”服務(包退、包換、保修)。
2、產品在使用中我廠定期組織技術、質檢人員進行訪問,征詢用戶對產品質量、 使用狀況、改進意見等方面的反饋, 以便進一步提高產品質量。
3、對用戶投訴質量問題,快速作出反應,售后服務人員在24-36小時(省外48小時)趕赴現場。
4、對售后服務,要求用戶填寫服務后的質量反饋信息表,并作出鑒定意見,以便提高奇高的服務質量。
1、客戶如對產品有特殊要求,須在訂貨合同中提供以下說明:
a、結構長度;
b、連接形式;
c、公稱直徑、全通徑、縮徑、管道尺寸;
d、運行介質及溫度、壓力范圍;
e、試驗、檢驗標準及其他要求
2、本廠可根據客戶特定要求配置各類驅動裝置。
3、如由客戶提供確定的閥門類型和型號時,客戶應正確說明其型號的含義和要求,在供需雙方理解一致的條件下簽訂合同。
4、期貨、訂貨的客戶請先來電函詳細告訴所需的閥門型號、規格、數量以及交貨時間、地點,并按總的30%預定金或全額貨款及時匯入我廠帳戶,其余貨款待發貨前匯入,以便及時安排發貨。
訂單流程:
1、客戶采購清單傳真至021-33872143,或來電咨詢 021-33872141
2、收到客戶采購清單,為客戶提供閥門型號選型與報價(價格清單)。
3、具體商定:交貨期、特殊要求等事宜。
訂貨須知:
1、客戶如對產品有特殊要求,須在訂貨合同中提供以下說明:
|
|||||
|
|||||
2、本廠可根據客戶特定要求配置各類驅動裝置。
|
|||||
3、如由客戶提供確定的閥門類型和型號時,客戶應正確說明其型號的含義和要求,在供需雙方理解一致的條件下簽訂合同。
|
|||||
4、期貨、訂貨的客戶請先來電函詳細告訴所需的閥門型號、規格、數量以及交貨時間、地點,并按總的30%預定金或全額貨款及時匯入我廠賬戶, 其余貨款待發貨前匯入,以便及時安排發貨。
|
售中服務:
守信合同,及時供貨,隨時保持與客戶聯系。
對特殊或復制的產品,我廠安排技術人員對用戶進行產品使用、故障排除
售后服務:
1、“奇高”產品品質期為自出廠起12個月,實行“三包”服務(包退、包換、保修)。
2、產品在使用中我廠定期組織技術、質檢人員進行訪問,征詢用戶對產品質量、使用狀況、改進意見等方面的反饋,
以便進一步提高產品質量。
3、對用戶投訴質量問題,快速作出反應,售后服務人員在24-36小時(省外48小時)趕赴現場。
4、對售后服務,要求用戶填寫服務后的質量反饋信息表,并作出鑒定意見,以便提高“奇高”的服務質量。
聲明 |
|