自力式壓力調節閥-V230/V231D

- 銷售:021-32051999
- 銷售:021-32050777
- 傳真:021-66099555
詳情介紹
- 產品介紹
- 服務承諾
- 訂貨流程
V230D/V231D自力式壓力(差壓)調節閥由薄膜式(活塞式)執行機構,閥體,閥座,閥芯,平衡彈簧等部件組成,是一種無需外來能源而只依靠被調介質自身壓力的變化來進行自動調節壓力的閥門,是根據力學原理,將被控介質引入執行機構產生力作用推動,控制閥芯元件上下位移達到自動調節控制,閥前或閥后恒壓或減壓的節能型產品,適用于非腐蝕性的液體,氣體,蒸汽等介質的壓力控制.廣泛用于石油,化工,冶金,輕工等工業部門及城市供熱,供暖系統。
自力式壓力(差壓)調節閥 產品特點
自力式壓力(差壓)調節閥大的特點是能在無電,無氣的場所工作,壓力設定值在運行中可隨意調整.調整范圍大,動作靈敏,密封性能好,閥芯為力平衡型結構,不平穩力小,調節比例大和壓差范圍大等特點。
本產品有公稱壓力PN1.6,2.5,4.0;公稱通徑范圍20~300mm;使用溫度≤300℃.多種多樣的品種可供選擇.
自力式壓力(差壓)調節閥 型號規格
類別 | 壓力控制調節閥 | 差壓控制調節閥 | ||||||
閥后壓力調節閥 | 閥前壓力調節閥 | 差壓上升閥關閉型 | 差壓上升閥開啟型 | |||||
硬密封 | 軟密封 | 硬密封 | 軟密封 | 硬密封 | 軟密封 | 硬密封 | 軟密封 | |
型號 | V230D01 | V231D01 | V230D02 | V231D02 | V230D03 | V231D03 | V230D04 | V231D04 |
規格 | DN15~200 |
自力式壓力(差壓)調節閥 主要零件材料
材料代號 | C(WCB) | P(304) | R(316) | |
主要 零件 | 閥體 | WCB(ZG230-450) | ZG1Cr18Ni9Ti(304) | ZG1Cr18Ni12Mo2Ti(316) |
閥芯,閥座 | 1Cr18Ni9Ti(304) | 1Cr18Ni9Ti(304) | 1Cr18Ni12Mo2Ti(316) | |
閥桿 | 1Cr18Ni9Ti | 1Cr18Ni9Ti | 1Cr18Ni12Mo2Ti | |
膜片 | EPDM或FKM夾纖維 | |||
膜蓋 | A3鋼鍍鋅 | |||
填料 | 聚四氟乙烯,柔性石墨 | |||
彈簧 | 60Si2Mn |
自力式壓力(差壓)調節閥 主要技術參數
公稱通徑DN(mm) | 20 | 25 | 32 | 40 | 50 | 65 | 80 | 100 | 125 | 150 | 200 | ||||
額定流量系數Kv | 6.3 | 8 | 16 | 20 | 32 | 50 | 80 | 125 | 160 | 320 | 450 | ||||
噪音衡量系數Z值 | 0.6 | 0.6 | 0.55 | 0.55 | 0.5 | 0.5 | 0.45 | 0.4 | 0.35 | 0.3 | 0.2 | ||||
允許壓差 | 1.6(MPa) | 1.6 | 1.5 | 1.2 | 1.0 | ||||||||||
4.0(MPa) | 2.0 | 1.5 | 1.2 | 1.0 | |||||||||||
公稱壓力(MPa) | 1.6 2.5 4.0 | ||||||||||||||
調節精度(%) | ±5 | ||||||||||||||
工作溫度(℃) | 液體≤140;氣體≤80;冷凝器≤200;冷凝器和散熱片≤350;冷凝器和加長件≤300; | ||||||||||||||
適用介質 | 執水,氣體,蒸汽,低粘度介質 | ||||||||||||||
壓力平衡元件 | 波紋管 | 滾動膜片 | |||||||||||||
允許泄漏量 | 硬密封(L/h) | ≤4×10-4×閥額定容量 | |||||||||||||
軟密封 | 10氣泡/min | 20氣泡/min | 40氣泡/min | ||||||||||||
高工作壓力MPa | 公稱壓力(△Pmax及工作壓力與工作溫度的關系) |
自力式壓力(差壓)調節閥 執行機構
型 號 | V230D01(D03) V231D01(D03) | V230D02(D04) V231D02(D04) | ||||||
you效面積cm2 | 32※ | 80※ | 250 | 630 | 32※ | 80※ | 250 | 630 |
壓力設定范圍MPa | 0.3~1.2 | 0.1~0.6 | 0.015~0.15 | 0.005~0.035 | 0.3~1.1 | 0.1~0.5 | 0.015~0.12 | 0.005~0.035 |
0.8~1.6 | 0.05~0.3 | 0.01~0.07 | 1.0~1.6 | 0.05~0.25 | 0.01~0.06 | |||
保證壓力正常工作小壓差△P MPa | ≥0.05 | ≥0.04 | ≥0.01 | ≥0.05 | ≥0.05 | ≥0.04 | ≥0.01 | ≥0.05 |
允許上,下膜室間大壓差MPa | 2.0 | 1.25 | 0.4 | 0.15 | 2.0 | 1.25 | 0.4 | 0.15 |
行程mm | 18 | 18 | 23 | 23 | 18 | 18 | 23 | 23 |
控制管線,接頭 | 銅管或鋼管10×1;卡套式接頭R1/4" |
注:該壓力設定范圍不適用于DN150~200
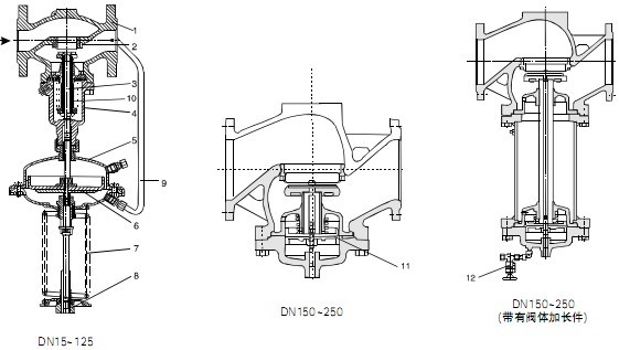
自力式壓力(壓差)調節閥 結構
1 | 閥體 | 2 | 閥座 | 3 | 閥軸 | 4 | 閥蓋 | 5 | 膜蓋 | 6 | 膜片 |
7 | 彈簧 | 8 | 調節螺母 | 9 | 導壓管 | 10 | 波紋管 | 11 | 平衡膜片 | 12 | 充注閥 |
自力式壓力(差壓)調節閥 主要外形尺寸
閥體尺寸
公稱通徑DN(mm) | 15 | 20 | 25 | 32 | 40 | 50 | 65 | 80 | 100 | 125 | 150 | 200 |
L(mm) | 130 | 150 | 160 | 180 | 200 | 230 | 290 | 310 | 350 | 400 | 480 | 600 |
B(mm) | 212 | 212 | 238 | 238 | 240 | 240 | 275 | 275 | 380 | 380 | 295 | 325 |
執行器尺寸
you效面積cm2 | 32 | 80 | 250 | 630 | |
ΦR(mm) | 172 | 172 | 263 | 380 | |
H | D01(D03) | 435 | 430 | 470 | 520 |
D02(D04) | 440 | 435 | 440 | 520 |
良好的品質、優良的服務 奇高為你創造更多價值!
“奇高閥門”的期望,不斷提升服務質量,精益求精,“真誠的服務”是“奇高”永恒的主題。“奇高”嚴格按照IS09001-2000 質量體系認證要求,質量嚴格把關, 責任到人,確保生產、銷售、服務的健康運行。加強與用戶溝通,竭誠為廣大客戶提供優良產品,貼心服務。特此我廠做出以下承諾:
產品標準:
產品嚴格按照中國GB、HG 標準和美國API等標準設計、制造、驗收。密封面硬度達到國家規定要求,寬度超過國家標準。
售前服務:
產品介紹,技術交流,非標產品設計,疑難解答。
售中服務:
守信合同,及時供貨,隨時保持與客戶聯系。 對特殊或復制的產品,我廠安排技術人員對用戶進行產品使用、故障排除
售后服務:
1、“奇高”牌產品品質期為自出廠起12個月,實行“三包”服務(包退、包換、保修)。
2、產品在使用中我廠定期組織技術、質檢人員進行訪問,征詢用戶對產品質量、 使用狀況、改進意見等方面的反饋, 以便進一步提高產品質量。
3、對用戶投訴質量問題,快速作出反應,售后服務人員在24-36小時(省外48小時)趕赴現場。
4、對售后服務,要求用戶填寫服務后的質量反饋信息表,并作出鑒定意見,以便提高奇高的服務質量。
1、客戶如對產品有特殊要求,須在訂貨合同中提供以下說明:
a、結構長度;
b、連接形式;
c、公稱直徑、全通徑、縮徑、管道尺寸;
d、運行介質及溫度、壓力范圍;
e、試驗、檢驗標準及其他要求
2、本廠可根據客戶特定要求配置各類驅動裝置。
3、如由客戶提供確定的閥門類型和型號時,客戶應正確說明其型號的含義和要求,在供需雙方理解一致的條件下簽訂合同。
4、期貨、訂貨的客戶請先來電函詳細告訴所需的閥門型號、規格、數量以及交貨時間、地點,并按總的30%預定金或全額貨款及時匯入我廠帳戶,其余貨款待發貨前匯入,以便及時安排發貨。
訂單流程:
1、客戶采購清單傳真至021-33872143,或來電咨詢 021-33872141
2、收到客戶采購清單,為客戶提供閥門型號選型與報價(價格清單)。
3、具體商定:交貨期、特殊要求等事宜。
訂貨須知:
1、客戶如對產品有特殊要求,須在訂貨合同中提供以下說明:
|
|||||
|
|||||
2、本廠可根據客戶特定要求配置各類驅動裝置。
|
|||||
3、如由客戶提供確定的閥門類型和型號時,客戶應正確說明其型號的含義和要求,在供需雙方理解一致的條件下簽訂合同。
|
|||||
4、期貨、訂貨的客戶請先來電函詳細告訴所需的閥門型號、規格、數量以及交貨時間、地點,并按總的30%預定金或全額貨款及時匯入我廠賬戶, 其余貨款待發貨前匯入,以便及時安排發貨。
|
售中服務:
守信合同,及時供貨,隨時保持與客戶聯系。
對特殊或復制的產品,我廠安排技術人員對用戶進行產品使用、故障排除
售后服務:
1、“奇高”產品品質期為自出廠起12個月,實行“三包”服務(包退、包換、保修)。
2、產品在使用中我廠定期組織技術、質檢人員進行訪問,征詢用戶對產品質量、使用狀況、改進意見等方面的反饋,
以便進一步提高產品質量。
3、對用戶投訴質量問題,快速作出反應,售后服務人員在24-36小時(省外48小時)趕赴現場。
4、對售后服務,要求用戶填寫服務后的質量反饋信息表,并作出鑒定意見,以便提高“奇高”的服務質量。
聲明 |
|