GY葉輪給料機

- 銷售:021-32051999
- 銷售:021-32050777
- 傳真:021-66099555
詳情介紹
- 產品介紹
- 服務承諾
- 訂貨流程
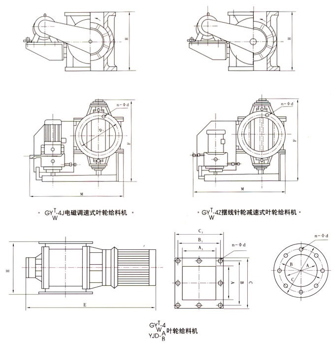
GY葉輪給料機又名星形卸灰閥、星形卸料閥、回轉下料器。由閥體、傳動軸、葉片和減速器等給成。減速電機帶動傳動軸和葉輪旋轉,從而達到卸灰的目的。具有葉片耐磨性好、鎖氣性能高、卸料干凈、連接平穩、構緊湊等特點彈性葉輪給料機采用彈性轉子,密封性更好,保證均勻喂料。廣泛應用于建材、冶金、化工、電力等部門作為各類除塵設備的卸料裝置及各種磨機、烘干機、料倉等設備的給卸料裝置。
主要性能參數
規格 | 圓形 | φ150 | φ200 | φ250 | φ300 | φ350 | φ400 | φ450 | φ500 | |
方形 | 150×150 | 200×200 | 200×300 | 300×300 | 300×400 | 400×400 | 450×500 | 500×500 | ||
GYT-4Z | 剛性 | 給料能力m3/h | 4-6 | 12 | 23 | 41 | 55 | 98 | 121 | 143 |
葉輪轉速 | 34r/min | 25r/min | 21r/min | |||||||
彈性 | 給料能力m3/h | 2.1 | 3.6 | 9 | 15 | 23 | 30 | 48 | 66 | |
葉輪轉速 | 34r/min | |||||||||
功率KW | 0.55 | 1.1 | 2.2 | 3 | ||||||
擺線針輪減速機型號 | ||||||||||
GYT-4J | 剛性 | 給料能力m3/h | 0.5~10 | 1~20 | 2~40 | 4~70 | 6~88 | 10~150 | 20~240 | 30~280 |
葉輪轉速 | 6~60r/min | 6~40r/min | ||||||||
彈性 | 給料能力m3/h | 0.3~3 | 0.5~5 | 1.2~12 | 2~20 | 3~30 | 4~40 | 6~60 | 8~80 | |
葉輪轉速 | 4~40r/min | |||||||||
功率KW | 0.55 | 1.1 | 2.2 | 3 | ||||||
電磁調速減速機型號 | YCT112-4A | YCT132-4A | YCT132-4A YCT132-4B | |||||||
YJD-A | 給料能力m3/h | 2-4 | 6 | 8~10 | 12~16 | 20 | 26 | 30 | 36~40 | |
葉輪轉速 | 24r/min | |||||||||
功率KW | 0.55 | 1.1 | 2.2 | |||||||
電源電壓 | 380V.AC 50HZ | |||||||||
適用介質和溫度 | 粉壯或小顆粒狀物料<80℃ <150℃ <250℃ |
主要外形連接尺寸
GYW-4/GYT-4外形及連接尺寸(mm) | ||||||||||
A(A1) | B(B2) | C(C1) | n-φd | H | M | F | E | GYW-4 | GYW-4Z | GYW-4J |
φ150 | φ240 | φ210 | 8-φ11 | 230 | 720 | 600 | 520 | 40 | 250 | 270 |
φ200 | φ300 | φ260 | 8-φ11 | 300 | 800 | 700 | 570 | 75 | 275 | 295 |
φ250 | φ350 | φ310 | 8-φ13 | 340 | 850 | 750 | 660 | 100 | 320 | 340 |
φ300 | φ400 | φ360 | 8-φ17 | 400 | 900 | 800 | 730 | 155 | 380 | 400 |
φ350 | φ450 | φ410 | 8-φ17 | 450 | 960 | 860 | 780 | 1900 | 500 | 520 |
φ400 | φ500 | φ460 | 8-φ17 | 500 | 1020 | 920 | 820 | 240 | 700 | 720 |
φ450 | φ600 | φ560 | 8-φ17 | 600 | 1080 | 980 | 940 | 280 | 900 | 930 |
φ500 | φ710 | φ660 | 8-φ17 | 700 | 1140 | 1040 | 990 | 320 | 1100 | 1150 |
150×150 | 240×240 | 210×210 | 8-φ11 | 230 | 720 | 600 | 520 | 45 | 260 | 280 |
150×200 | 240×300 | 210×260 | 8-φ11 | 230 | 800 | 700 | 570 | 60 | 290 | 310 |
200×200 | 300×300 | 260×260 | 8-φ11 | 300 | 800 | 700 | 570 | 80 | 310 | 330 |
200×300 | 300×400 | 260×360 | 8-φ13 | 300 | 900 | 800 | 730 | 140 | 330 | 350 |
300×300 | 400×400 | 360×360 | 8-φ17 | 400 | 960 | 860 | 730 | 160 | 390 | 410 |
300×400 | 400×500 | 360×460 | 16-φ17 | 400 | 1020 | 920 | 820 | 220 | 510 | 530 |
400×400 | 500×500 | 460×460 | 16-φ17 | 500 | 1020 | 920 | 820 | 250 | 560 | 590 |
400×500 | 500×710 | 460×660 | 16-φ17 | 500 | 1140 | 1040 | 990 | 300 | 980 | 1020 |
500×500 | 710×710 | 660×660 | 16-φ17 | 700 | 1140 | 1040 | 990 | 350 | 1150 | 1200 |
YJD-A/YJD-B外形及連接尺寸(mm) | ||||||||||||
每轉升 | A | B | C | A1 | B1 | C1 | H | M | F | E | 孔徑直 | 重量(kg) |
2 | 150 | 200 | 240 | 150×150 | 200×200 | 240×240 | 240 | 120 | 120 | 500 | 8-9 | 40 |
4 | 180 | 240 | 280 | 180×180 | 230×230 | 260×260 | 280 | 140 | 140 | 530 | 8-11 | 60 |
6 | 200 | 260 | 300 | 200×200 | 250×250 | 280×280 | 300 | 150 | 150 | 550 | 8-11 | 75 |
8 | 220 | 280 | 320 | 220×220 | 270×270 | 300×300 | 320 | 160 | 160 | 580 | 8-11 | 80 |
10 | 240 | 300 | 340 | 240×240 | 290×290 | 320×320 | 340 | 170 | 170 | 600 | 8-13 | 100 |
12 | 260 | 320 | 360 | 260×260 | 310×310 | 340×340 | 360 | 180 | 180 | 620 | 8-13 | 115 |
14 | 280 | 340 | 380 | 280×280 | 330×330 | 360×360 | 380 | 190 | 190 | 640 | 8-17 | 130 |
16 | 300 | 360 | 400 | 300×300 | 350×350 | 380×380 | 400 | 200 | 200 | 670 | 8-17 | 150 |
18 | 320 | 380 | 420 | 320×320 | 370×370 | 400×400 | 420 | 210 | 210 | 690 | 8-17 | 165 |
20 | 340 | 400 | 440 | 340×340 | 390×390 | 420×420 | 440 | 220 | 220 | 710 | 8-17 | 190 |
26 | 400 | 460 | 500 | 400×400 | 450×450 | 480×480 | 500 | 250 | 250 | 770 | 8-17 | 230 |
30 | 440 | 500 | 540 | 440×440 | 490×490 | 520×520 | 540 | 270 | 270 | 820 | 8-17 | 280 |
36 | 500 | 560 | 600 | 500×500 | 550×550 | 580×580 | 600 | 300 | 300 | 950 | 8-20 | 320 |
40 | 540 | 600 | 640 | 540×540 | 590×590 | 620×620 | 640 | 320 | 320 | 990 | 8-20 | 400 |
良好的品質、優良的服務 奇高為你創造更多價值!
“奇高閥門”的期望,不斷提升服務質量,精益求精,“真誠的服務”是“奇高”永恒的主題。“奇高”嚴格按照IS09001-2000 質量體系認證要求,質量嚴格把關, 責任到人,確保生產、銷售、服務的健康運行。加強與用戶溝通,竭誠為廣大客戶提供優良產品,貼心服務。特此我廠做出以下承諾:
產品標準:
產品嚴格按照中國GB、HG 標準和美國API等標準設計、制造、驗收。密封面硬度達到國家規定要求,寬度超過國家標準。
售前服務:
產品介紹,技術交流,非標產品設計,疑難解答。
售中服務:
守信合同,及時供貨,隨時保持與客戶聯系。 對特殊或復制的產品,我廠安排技術人員對用戶進行產品使用、故障排除
售后服務:
1、“奇高”牌產品品質期為自出廠起12個月,實行“三包”服務(包退、包換、保修)。
2、產品在使用中我廠定期組織技術、質檢人員進行訪問,征詢用戶對產品質量、 使用狀況、改進意見等方面的反饋, 以便進一步提高產品質量。
3、對用戶投訴質量問題,快速作出反應,售后服務人員在24-36小時(省外48小時)趕赴現場。
4、對售后服務,要求用戶填寫服務后的質量反饋信息表,并作出鑒定意見,以便提高奇高的服務質量。
1、客戶如對產品有特殊要求,須在訂貨合同中提供以下說明:
a、結構長度;
b、連接形式;
c、公稱直徑、全通徑、縮徑、管道尺寸;
d、運行介質及溫度、壓力范圍;
e、試驗、檢驗標準及其他要求
2、本廠可根據客戶特定要求配置各類驅動裝置。
3、如由客戶提供確定的閥門類型和型號時,客戶應正確說明其型號的含義和要求,在供需雙方理解一致的條件下簽訂合同。
4、期貨、訂貨的客戶請先來電函詳細告訴所需的閥門型號、規格、數量以及交貨時間、地點,并按總的30%預定金或全額貨款及時匯入我廠帳戶,其余貨款待發貨前匯入,以便及時安排發貨。
訂單流程:
1、客戶采購清單傳真至021-33872143,或來電咨詢 021-33872141
2、收到客戶采購清單,為客戶提供閥門型號選型與報價(價格清單)。
3、具體商定:交貨期、特殊要求等事宜。
訂貨須知:
1、客戶如對產品有特殊要求,須在訂貨合同中提供以下說明:
|
|||||
|
|||||
2、本廠可根據客戶特定要求配置各類驅動裝置。
|
|||||
3、如由客戶提供確定的閥門類型和型號時,客戶應正確說明其型號的含義和要求,在供需雙方理解一致的條件下簽訂合同。
|
|||||
4、期貨、訂貨的客戶請先來電函詳細告訴所需的閥門型號、規格、數量以及交貨時間、地點,并按總的30%預定金或全額貨款及時匯入我廠賬戶, 其余貨款待發貨前匯入,以便及時安排發貨。
|
售中服務:
守信合同,及時供貨,隨時保持與客戶聯系。
對特殊或復制的產品,我廠安排技術人員對用戶進行產品使用、故障排除
售后服務:
1、“奇高”產品品質期為自出廠起12個月,實行“三包”服務(包退、包換、保修)。
2、產品在使用中我廠定期組織技術、質檢人員進行訪問,征詢用戶對產品質量、使用狀況、改進意見等方面的反饋,
以便進一步提高產品質量。
3、對用戶投訴質量問題,快速作出反應,售后服務人員在24-36小時(省外48小時)趕赴現場。
4、對售后服務,要求用戶填寫服務后的質量反饋信息表,并作出鑒定意見,以便提高“奇高”的服務質量。
聲明 |
|