GLF-C星型方形卸灰閥

- 銷售:021-32051999
- 銷售:021-32050777
- 傳真:021-66099555
詳情介紹
- 產品介紹
- 服務承諾
- 訂貨流程
星型卸灰閥又名回轉給料機,分GLF-C星型方形卸灰閥和GLY-C星型圓形卸灰閥,廣泛應用于建材、冶金、化工、電力等部門作為各類除塵設備的灰斗卸料裝置,也可作為各種磨機、烘干機、料倉等設備的給卸料裝置,適用于干燥粉狀和小顆狀物料,星型卸灰閥依靠物料的重力作用及給料機工作機構的強制作用,將倉內的物料卸出并連續均勻地喂入下一裝置中去。
產品特點
星型卸灰閥主要由殼體、葉輪和端蓋組成。采用優良鋼板焊接結構,葉片耐磨性強,集傳動裝置、傳動軸、葉片聯為一體。具有工作平穩可靠,落料均勻,輕便節能的特點。由于星型卸灰閥的軸承和減速機都是向外凸出,能夠避免粉塵擠進軸承和大顆粒物料卡死現象。
工作時由減速電機通過聯軸帶動葉輪轉動,把殼體上部的物料均勻帶到下部,由下一個裝置把物料送走。所以,星型卸灰閥只能直立安裝,而不允許水平安裝,給料機的上部要保持一定的料柱。
主要技術參數
適用介質 | 工作溫度 | 卸灰能力 |
干燥粉塵 | 150℃ | 4.5-160m3/h |
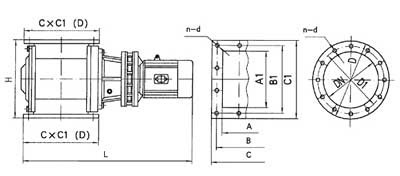
主要外形連接尺寸
A1×A | B1×B | C1×C | DN | D | D1 | H | L | n-d | 傳動功率型號 | 功率KW | 卸灰能力 m3/h | 重量kg |
150×150 | 200×200 | 230×230 | 150 | 230 | 200 | 250 | 870 | 8-Φ13 | BLY-15-43 | 0.75 | 5 | 121 |
200×200 | 260×260 | 300×300 | 200 | 300 | 260 | 300 | 910 | 8-Φ17 | BLY-15-43 | 12 | 178 | |
300×200 | 360×260 | 400×300 | 300 | 910 | 8-Φ17 | BLY-15-43 | 18 | 214 | ||||
250×250 | 310×310 | 350×350 | 250 | 350 | 310 | 350 | 910 | 8-Φ17 | BLY-15-43 | 24 | 258 | |
300×300 | 360×360 | 400×400 | 300 | 400 | 360 | 450 | 1140 | 8-Φ17 | BLY-18-59 | 1.5 | 30 | 308 |
400×300 | 460×360 | 500×400 | 450 | 1140 | 10-Φ17 | BLY-18-59 | 40 | 335 | ||||
500×300 | 460×360 | 600×400 | 450 | 1140 | 12-Φ17 | BLY-18-59 | 50 | 65 | ||||
400×400 | 560×360 | 500×500 | 400 | 500 | 460 | 600 | 1220 | 12-Φ20 | BLY-22-71 | 3 | 60 | 398 |
500×400 | 460×460 | 600×500 | 600 | 1220 | 14-Φ26 | BLY-22-71 | 75 | 428 | ||||
500×500 | 570×570 | 630×630 | 500 | 630 | 570 | 760 | 1400 | 16-Φ26 | BLY-22-71 | 118 | 524 | |
700×500 | 770×570 | 830×630 | 760 | 1400 | 18-Φ26 | BLY-22-71 | 160 | 654 |
良好的品質、優良的服務 奇高為你創造更多價值!
“奇高閥門”的期望,不斷提升服務質量,精益求精,“真誠的服務”是“奇高”永恒的主題。“奇高”嚴格按照IS09001-2000 質量體系認證要求,質量嚴格把關, 責任到人,確保生產、銷售、服務的健康運行。加強與用戶溝通,竭誠為廣大客戶提供優良產品,貼心服務。特此我廠做出以下承諾:
產品標準:
產品嚴格按照中國GB、HG 標準和美國API等標準設計、制造、驗收。密封面硬度達到國家規定要求,寬度超過國家標準。
售前服務:
產品介紹,技術交流,非標產品設計,疑難解答。
售中服務:
守信合同,及時供貨,隨時保持與客戶聯系。 對特殊或復制的產品,我廠安排技術人員對用戶進行產品使用、故障排除
售后服務:
1、“奇高”牌產品品質期為自出廠起12個月,實行“三包”服務(包退、包換、保修)。
2、產品在使用中我廠定期組織技術、質檢人員進行訪問,征詢用戶對產品質量、 使用狀況、改進意見等方面的反饋, 以便進一步提高產品質量。
3、對用戶投訴質量問題,快速作出反應,售后服務人員在24-36小時(省外48小時)趕赴現場。
4、對售后服務,要求用戶填寫服務后的質量反饋信息表,并作出鑒定意見,以便提高奇高的服務質量。
1、客戶如對產品有特殊要求,須在訂貨合同中提供以下說明:
a、結構長度;
b、連接形式;
c、公稱直徑、全通徑、縮徑、管道尺寸;
d、運行介質及溫度、壓力范圍;
e、試驗、檢驗標準及其他要求
2、本廠可根據客戶特定要求配置各類驅動裝置。
3、如由客戶提供確定的閥門類型和型號時,客戶應正確說明其型號的含義和要求,在供需雙方理解一致的條件下簽訂合同。
4、期貨、訂貨的客戶請先來電函詳細告訴所需的閥門型號、規格、數量以及交貨時間、地點,并按總的30%預定金或全額貨款及時匯入我廠帳戶,其余貨款待發貨前匯入,以便及時安排發貨。
訂單流程:
1、客戶采購清單傳真至021-33872143,或來電咨詢 021-33872141
2、收到客戶采購清單,為客戶提供閥門型號選型與報價(價格清單)。
3、具體商定:交貨期、特殊要求等事宜。
訂貨須知:
1、客戶如對產品有特殊要求,須在訂貨合同中提供以下說明:
|
|||||
|
|||||
2、本廠可根據客戶特定要求配置各類驅動裝置。
|
|||||
3、如由客戶提供確定的閥門類型和型號時,客戶應正確說明其型號的含義和要求,在供需雙方理解一致的條件下簽訂合同。
|
|||||
4、期貨、訂貨的客戶請先來電函詳細告訴所需的閥門型號、規格、數量以及交貨時間、地點,并按總的30%預定金或全額貨款及時匯入我廠賬戶, 其余貨款待發貨前匯入,以便及時安排發貨。
|
售中服務:
守信合同,及時供貨,隨時保持與客戶聯系。
對特殊或復制的產品,我廠安排技術人員對用戶進行產品使用、故障排除
售后服務:
1、“奇高”產品品質期為自出廠起12個月,實行“三包”服務(包退、包換、保修)。
2、產品在使用中我廠定期組織技術、質檢人員進行訪問,征詢用戶對產品質量、使用狀況、改進意見等方面的反饋,
以便進一步提高產品質量。
3、對用戶投訴質量問題,快速作出反應,售后服務人員在24-36小時(省外48小時)趕赴現場。
4、對售后服務,要求用戶填寫服務后的質量反饋信息表,并作出鑒定意見,以便提高“奇高”的服務質量。
聲明 |
|