TZW手動升降比例閥

- 銷售:021-32051999
- 銷售:021-32050777
- 傳真:021-66099555
詳情介紹
- 產品介紹
- 服務承諾
- 訂貨流程
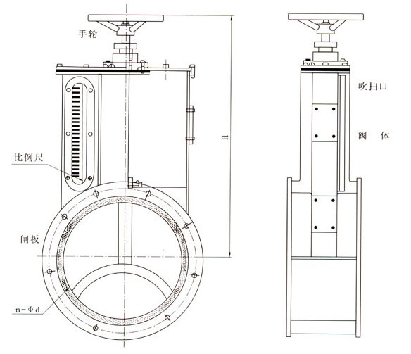
升降比例閥是一種含氣體、無粘度的小顆粒粉塵、粉料等介質的氣體輸送管道中,作為調節或切斷介質流量的主要控制調節設備,它可廣泛地適用于冶金、建材、化工、電站、玻璃等行業除塵系統中。
升降比例閥的閥體、閥板采用優良碳鋼焊接而成,并在閥體上設有開度顯示器,能正確反映閥板的開啟位置,同時沒有吹哨孔,便于清掃絲桿上灰塵,從而確保閥門的使用壽命及閥門開啟力矩。
主要技術參數
公稱壓力:0.01Mpa
工作溫度:≤150℃
適用介質:含塵氣體、空氣、煙氣、無粘度的小顆粒粉塵、粉料。
介質流速:≤28m/s
調節特性:等百分比
主要零件材料
閥體、閥板:采用優良碳鋼焊接
閥板與風道接觸面:3Cr13I不銹鋼
螺旋絲桿:采用2Cr13
主要外形連接尺寸
公稱通徑DN | L | D | D1 | b | n | d | H | 重量kg |
200 | 200 | 310 | 280 | 10 | 8 | 14 | 510 | 38 |
220 | 200 | 330 | 300 | 10 | 12 | 14 | 535 | 40 |
250 | 200 | 360 | 330 | 10 | 12 | 14 | 575 | 48 |
260 | 200 | 370 | 340 | 10 | 12 | 14 | 590 | 52 |
280 | 200 | 390 | 360 | 10 | 12 | 14 | 610 | 60 |
300 | 200 | 410 | 380 | 10 | 12 | 14 | 700 | 65 |
320 | 200 | 430 | 400 | 10 | 12 | 14 | 725 | 70 |
340 | 200 | 450 | 420 | 10 | 12 | 14 | 750 | 85 |
350 | 200 | 460 | 430 | 10 | 12 | 14 | 770 | 90 |
360 | 200 | 470 | 440 | 10 | 12 | 14 | 780 | 96 |
380 | 200 | 490 | 460 | 10 | 12 | 14 | 800 | 100 |
400 | 250 | 510 | 480 | 10 | 16 | 14 | 890 | 115 |
420 | 250 | 530 | 500 | 12 | 16 | 14 | 930 | 125 |
450 | 250 | 560 | 530 | 14 | 16 | 18 | 1010 | 140 |
480 | 250 | 600 | 560 | 14 | 16 | 18 | 1050 | 180 |
500 | 300 | 620 | 580 | 14 | 16 | 18 | 1090 | 200 |
520 | 300 | 640 | 600 | 14 | 20 | 18 | 1110 | 220 |
620 | 350 | 750 | 710 | 14 | 20 | 18 | 1280 | 240 |
630 | 350 | 760 | 720 | 14 | 20 | 18 | 1305 | 250 |
680 | 350 | 790 | 750 | 16 | 24 | 18 | 1380 | 280 |
720 | 350 | 830 | 790 | 16 | 24 | 18 | 1440 | 320 |
750 | 350 | 870 | 830 | 16 | 24 | 18 | 1525 | 350 |
850 | 350 | 970 | 930 | 20 | 24 | 18 | 1675 | 380 |
900 | 350 | 1020 | 980 | 20 | 24 | 18 | 1750 | 450 |
950 | 350 | 1070 | 1030 | 20 | 28 | 18 | 1825 | 500 |
1000 | 400 | 1120 | 1080 | 20 | 28 | 20 | 1950 | 600 |
1200 | 400 | 1400 | 1280 | 20 | 28 | 22 | 2250 | 800 |
1250 | 400 | 1370 | 1330 | 20 | 28 | 22 | 2525 | 890 |
良好的品質、優良的服務 奇高為你創造更多價值!
“奇高閥門”的期望,不斷提升服務質量,精益求精,“真誠的服務”是“奇高”永恒的主題。“奇高”嚴格按照IS09001-2000 質量體系認證要求,質量嚴格把關, 責任到人,確保生產、銷售、服務的健康運行。加強與用戶溝通,竭誠為廣大客戶提供優良產品,貼心服務。特此我廠做出以下承諾:
產品標準:
產品嚴格按照中國GB、HG 標準和美國API等標準設計、制造、驗收。密封面硬度達到國家規定要求,寬度超過國家標準。
售前服務:
產品介紹,技術交流,非標產品設計,疑難解答。
售中服務:
守信合同,及時供貨,隨時保持與客戶聯系。 對特殊或復制的產品,我廠安排技術人員對用戶進行產品使用、故障排除
售后服務:
1、“奇高”牌產品品質期為自出廠起12個月,實行“三包”服務(包退、包換、保修)。
2、產品在使用中我廠定期組織技術、質檢人員進行訪問,征詢用戶對產品質量、 使用狀況、改進意見等方面的反饋, 以便進一步提高產品質量。
3、對用戶投訴質量問題,快速作出反應,售后服務人員在24-36小時(省外48小時)趕赴現場。
4、對售后服務,要求用戶填寫服務后的質量反饋信息表,并作出鑒定意見,以便提高奇高的服務質量。
1、客戶如對產品有特殊要求,須在訂貨合同中提供以下說明:
a、結構長度;
b、連接形式;
c、公稱直徑、全通徑、縮徑、管道尺寸;
d、運行介質及溫度、壓力范圍;
e、試驗、檢驗標準及其他要求
2、本廠可根據客戶特定要求配置各類驅動裝置。
3、如由客戶提供確定的閥門類型和型號時,客戶應正確說明其型號的含義和要求,在供需雙方理解一致的條件下簽訂合同。
4、期貨、訂貨的客戶請先來電函詳細告訴所需的閥門型號、規格、數量以及交貨時間、地點,并按總的30%預定金或全額貨款及時匯入我廠帳戶,其余貨款待發貨前匯入,以便及時安排發貨。
訂單流程:
1、客戶采購清單傳真至021-33872143,或來電咨詢 021-33872141
2、收到客戶采購清單,為客戶提供閥門型號選型與報價(價格清單)。
3、具體商定:交貨期、特殊要求等事宜。
訂貨須知:
1、客戶如對產品有特殊要求,須在訂貨合同中提供以下說明:
|
|||||
|
|||||
2、本廠可根據客戶特定要求配置各類驅動裝置。
|
|||||
3、如由客戶提供確定的閥門類型和型號時,客戶應正確說明其型號的含義和要求,在供需雙方理解一致的條件下簽訂合同。
|
|||||
4、期貨、訂貨的客戶請先來電函詳細告訴所需的閥門型號、規格、數量以及交貨時間、地點,并按總的30%預定金或全額貨款及時匯入我廠賬戶, 其余貨款待發貨前匯入,以便及時安排發貨。
|
售中服務:
守信合同,及時供貨,隨時保持與客戶聯系。
對特殊或復制的產品,我廠安排技術人員對用戶進行產品使用、故障排除
售后服務:
1、“奇高”產品品質期為自出廠起12個月,實行“三包”服務(包退、包換、保修)。
2、產品在使用中我廠定期組織技術、質檢人員進行訪問,征詢用戶對產品質量、使用狀況、改進意見等方面的反饋,
以便進一步提高產品質量。
3、對用戶投訴質量問題,快速作出反應,售后服務人員在24-36小時(省外48小時)趕赴現場。
4、對售后服務,要求用戶填寫服務后的質量反饋信息表,并作出鑒定意見,以便提高“奇高”的服務質量。
聲明 |
|