氣/液動三通切換閥

- 銷售:021-32051999
- 銷售:021-32050777
- 傳真:021-66099555
詳情介紹
- 產品介紹
- 服務承諾
- 訂貨流程
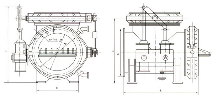
SQD643X/H氣動三通切換閥、SQD743X/H液動三通切換閥是一種氣動切換的理想設備,是我廠吸取國內外同類產品的新型技術研制而成的,本閥具有結構簡單,操作方便,密封可靠,切換準確,使用壽命長,廣泛應用在冶金、石化等行業作現場操作或遠距離控制。特別適用于鋼鐵廠轉爐煤氣回收裝置中近制煤氣的回收與放散。
本閥主要由三通體和兩只密封蝶閥及二只氣(油)缸、連桿控制箱組成。
主要性能參數
公稱壓力 | 0.1Mpa | 適用溫度 | SQD6/743X | 蝶閥為橡膠軟密封 ≤80℃ ≤120℃ |
密封試驗壓力 | 0.11Mpa | SQD6/743H | 蝶閥為金屬硬密封 ≤350℃ ≤500℃ | |
強度試驗壓力 | 0.15Mpa | 氣源壓力 | (氣動三通切換閥) 0.4-0.6Mpa | |
啟閉切換時間 | 15S | 供油壓力 | (液動三通切換閥) 6.3Mpa | |
適用介質 | 含塵氣體、煙氣、煤氣、空氣等 |
主要外形連接尺寸
DN | D | D1 | L | n-d | H | H1 | B | 重量 |
500 | 645 | 6006 | 1130 | 20-22 | 1620 | 1400 | 420 | 1080 |
600 | 755 | 705 | 1400 | 20-26 | 1740 | 1480 | 520 | 1150 |
800 | 975 | 920 | 1595 | 24-30 | 1867 | 1617 | 720 | 1300 |
900 | 1075 | 1020 | 1671 | 24-30 | 2010 | 1725 | 950 | 1560 |
1000 | 1175 | 1120 | 1617 | 28-30 | 1060 | 1775 | 950 | 1680 |
1200 | 1375 | 1320 | 2255 | 32-30 | 2125 | 1840 | 1250 | 1740 |
1400 | 1575 | 1520 | 2255 | 36-30 | 2500 | 2090 | 1250 | 2000 |
1600 | 1785 | 1730 | 2645 | 40-30 | 2835 | 2365 | 1450 | 2400 |
1800 | 1985 | 1930 | 2645 | 44-30 | 3110 | 2640 | 1450 | 2780 |
2000 | 2185 | 2130 | 2413 | 48-30 | 3340 | 2905 | 2050 | 3180 |
2400 | 2600 | 2540 | 2530 | 56-33 | 3500 | 3100 | 2250 | 4140 |
注:1、液動三通切換閥與氣動三通切換閥外形及連接尺寸相同。
2、本閥要按用戶要求制造。
良好的品質、優良的服務 奇高為你創造更多價值!
“奇高閥門”的期望,不斷提升服務質量,精益求精,“真誠的服務”是“奇高”永恒的主題。“奇高”嚴格按照IS09001-2000 質量體系認證要求,質量嚴格把關, 責任到人,確保生產、銷售、服務的健康運行。加強與用戶溝通,竭誠為廣大客戶提供優良產品,貼心服務。特此我廠做出以下承諾:
產品標準:
產品嚴格按照中國GB、HG 標準和美國API等標準設計、制造、驗收。密封面硬度達到國家規定要求,寬度超過國家標準。
售前服務:
產品介紹,技術交流,非標產品設計,疑難解答。
售中服務:
守信合同,及時供貨,隨時保持與客戶聯系。 對特殊或復制的產品,我廠安排技術人員對用戶進行產品使用、故障排除
售后服務:
1、“奇高”牌產品品質期為自出廠起12個月,實行“三包”服務(包退、包換、保修)。
2、產品在使用中我廠定期組織技術、質檢人員進行訪問,征詢用戶對產品質量、 使用狀況、改進意見等方面的反饋, 以便進一步提高產品質量。
3、對用戶投訴質量問題,快速作出反應,售后服務人員在24-36小時(省外48小時)趕赴現場。
4、對售后服務,要求用戶填寫服務后的質量反饋信息表,并作出鑒定意見,以便提高奇高的服務質量。
1、客戶如對產品有特殊要求,須在訂貨合同中提供以下說明:
a、結構長度;
b、連接形式;
c、公稱直徑、全通徑、縮徑、管道尺寸;
d、運行介質及溫度、壓力范圍;
e、試驗、檢驗標準及其他要求
2、本廠可根據客戶特定要求配置各類驅動裝置。
3、如由客戶提供確定的閥門類型和型號時,客戶應正確說明其型號的含義和要求,在供需雙方理解一致的條件下簽訂合同。
4、期貨、訂貨的客戶請先來電函詳細告訴所需的閥門型號、規格、數量以及交貨時間、地點,并按總的30%預定金或全額貨款及時匯入我廠帳戶,其余貨款待發貨前匯入,以便及時安排發貨。
訂單流程:
1、客戶采購清單傳真至021-33872143,或來電咨詢 021-33872141
2、收到客戶采購清單,為客戶提供閥門型號選型與報價(價格清單)。
3、具體商定:交貨期、特殊要求等事宜。
訂貨須知:
1、客戶如對產品有特殊要求,須在訂貨合同中提供以下說明:
|
|||||
|
|||||
2、本廠可根據客戶特定要求配置各類驅動裝置。
|
|||||
3、如由客戶提供確定的閥門類型和型號時,客戶應正確說明其型號的含義和要求,在供需雙方理解一致的條件下簽訂合同。
|
|||||
4、期貨、訂貨的客戶請先來電函詳細告訴所需的閥門型號、規格、數量以及交貨時間、地點,并按總的30%預定金或全額貨款及時匯入我廠賬戶, 其余貨款待發貨前匯入,以便及時安排發貨。
|
售中服務:
守信合同,及時供貨,隨時保持與客戶聯系。
對特殊或復制的產品,我廠安排技術人員對用戶進行產品使用、故障排除
售后服務:
1、“奇高”產品品質期為自出廠起12個月,實行“三包”服務(包退、包換、保修)。
2、產品在使用中我廠定期組織技術、質檢人員進行訪問,征詢用戶對產品質量、使用狀況、改進意見等方面的反饋,
以便進一步提高產品質量。
3、對用戶投訴質量問題,快速作出反應,售后服務人員在24-36小時(省外48小時)趕赴現場。
4、對售后服務,要求用戶填寫服務后的質量反饋信息表,并作出鑒定意見,以便提高“奇高”的服務質量。
聲明 |
|