F743X液動扇形眼鏡閥

- 銷售:021-32051999
- 銷售:021-32050777
- 傳真:021-66099555
詳情介紹
- 產品介紹
- 服務承諾
- 訂貨流程
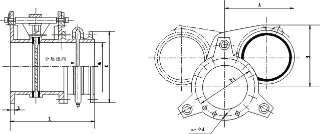
液動扇形眼鏡閥又名液動扇形盲板閥, 主要由左閥體、右閥體、絲桿、閘板、密封圈、杠桿、液壓油缸等零件組成,并由底座、支撐柱構成一個剛性結構體。閥門中設有夾緊、松開汽缸和翻板汽缸,夾緊、松開汽缸通過杠桿和絲桿螺旋驅動左、右閥體完成松開、夾緊動作,翻板汽缸驅動閘板完成開關動作。橡膠密封圈鑲鉗在閘板上,具有耐高溫、密封性能好、更 換方便、使用壽命長等特點。液動盲板閥可以單臺遠距離控制,亦可多臺聯網遠距離控制,非正常情況下還可以利用閥門本身裝置手動操作。
主要性能參數
公稱壓力MPa | 0.25 | 0.15 | 0.10 | 0.05 |
密封試驗壓力MPa | 0.275 | 0.165 | 0.11 | 0.055 |
強度試驗壓力MPa | 0.40 | 0.225 | 0.15 | 0.075 |
驅動源 | 壓縮空氣0.4-0.6MPa 油壓壓力6.3MPa 3相380V50HZ | |||
適用溫度℃ | 丁腈橡膠 | 硅橡膠 | 氟橡膠 | |
-20-100 | -20-200 | -20-300 | ||
適用介質 | 煤氣等有毒、有害、易燃氣體 | |||
啟閉時間S | ≤60 | |||
主要零部件材料 | 閥體、閘板為碳鋼;絲桿為合金鋼;螺母為錳銅合金、球墨鑄鐵;伸縮器為不銹鋼 |
主要外形連接尺寸
DN | D | D1 | b | n-φd | L |
300 | 440 | 395 | 22 | 12-φ22 | 450 |
350 | 490 | 445 | 22 | 12-φ22 | 450 |
400 | 540 | 495 | 22 | 16-φ22 | 450 |
450 | 595 | 550 | 24 | 16-φ22 | 500 |
500 | 645 | 600 | 24 | 16-φ22 | 500 |
600 | 755 | 705 | 24 | 20-φ26 | 600 |
700 | 860 | 810 | 26 | 24-φ26 | 600 |
800 | 975 | 920 | 26 | 24-φ30 | 800 |
900 | 1075 | 1020 | 28 | 24-φ30 | 800 |
1000 | 1175 | 1120 | 30 | 28-φ30 | 800 |
良好的品質、優良的服務 奇高為你創造更多價值!
“奇高閥門”的期望,不斷提升服務質量,精益求精,“真誠的服務”是“奇高”永恒的主題。“奇高”嚴格按照IS09001-2000 質量體系認證要求,質量嚴格把關, 責任到人,確保生產、銷售、服務的健康運行。加強與用戶溝通,竭誠為廣大客戶提供優良產品,貼心服務。特此我廠做出以下承諾:
產品標準:
產品嚴格按照中國GB、HG 標準和美國API等標準設計、制造、驗收。密封面硬度達到國家規定要求,寬度超過國家標準。
售前服務:
產品介紹,技術交流,非標產品設計,疑難解答。
售中服務:
守信合同,及時供貨,隨時保持與客戶聯系。 對特殊或復制的產品,我廠安排技術人員對用戶進行產品使用、故障排除
售后服務:
1、“奇高”牌產品品質期為自出廠起12個月,實行“三包”服務(包退、包換、保修)。
2、產品在使用中我廠定期組織技術、質檢人員進行訪問,征詢用戶對產品質量、 使用狀況、改進意見等方面的反饋, 以便進一步提高產品質量。
3、對用戶投訴質量問題,快速作出反應,售后服務人員在24-36小時(省外48小時)趕赴現場。
4、對售后服務,要求用戶填寫服務后的質量反饋信息表,并作出鑒定意見,以便提高奇高的服務質量。
1、客戶如對產品有特殊要求,須在訂貨合同中提供以下說明:
a、結構長度;
b、連接形式;
c、公稱直徑、全通徑、縮徑、管道尺寸;
d、運行介質及溫度、壓力范圍;
e、試驗、檢驗標準及其他要求
2、本廠可根據客戶特定要求配置各類驅動裝置。
3、如由客戶提供確定的閥門類型和型號時,客戶應正確說明其型號的含義和要求,在供需雙方理解一致的條件下簽訂合同。
4、期貨、訂貨的客戶請先來電函詳細告訴所需的閥門型號、規格、數量以及交貨時間、地點,并按總的30%預定金或全額貨款及時匯入我廠帳戶,其余貨款待發貨前匯入,以便及時安排發貨。
訂單流程:
1、客戶采購清單傳真至021-33872143,或來電咨詢 021-33872141
2、收到客戶采購清單,為客戶提供閥門型號選型與報價(價格清單)。
3、具體商定:交貨期、特殊要求等事宜。
訂貨須知:
1、客戶如對產品有特殊要求,須在訂貨合同中提供以下說明:
|
|||||
|
|||||
2、本廠可根據客戶特定要求配置各類驅動裝置。
|
|||||
3、如由客戶提供確定的閥門類型和型號時,客戶應正確說明其型號的含義和要求,在供需雙方理解一致的條件下簽訂合同。
|
|||||
4、期貨、訂貨的客戶請先來電函詳細告訴所需的閥門型號、規格、數量以及交貨時間、地點,并按總的30%預定金或全額貨款及時匯入我廠賬戶, 其余貨款待發貨前匯入,以便及時安排發貨。
|
售中服務:
守信合同,及時供貨,隨時保持與客戶聯系。
對特殊或復制的產品,我廠安排技術人員對用戶進行產品使用、故障排除
售后服務:
1、“奇高”產品品質期為自出廠起12個月,實行“三包”服務(包退、包換、保修)。
2、產品在使用中我廠定期組織技術、質檢人員進行訪問,征詢用戶對產品質量、使用狀況、改進意見等方面的反饋,
以便進一步提高產品質量。
3、對用戶投訴質量問題,快速作出反應,售后服務人員在24-36小時(省外48小時)趕赴現場。
4、對售后服務,要求用戶填寫服務后的質量反饋信息表,并作出鑒定意見,以便提高“奇高”的服務質量。
聲明 |
|